归档时间:2026-01-30
当前位置:
首页
>
信息公开
>
专题专栏
>
历史归档
>
2024年益阳市政府网站工作年度报表专栏
>
市政府及部门网站工作年度报表
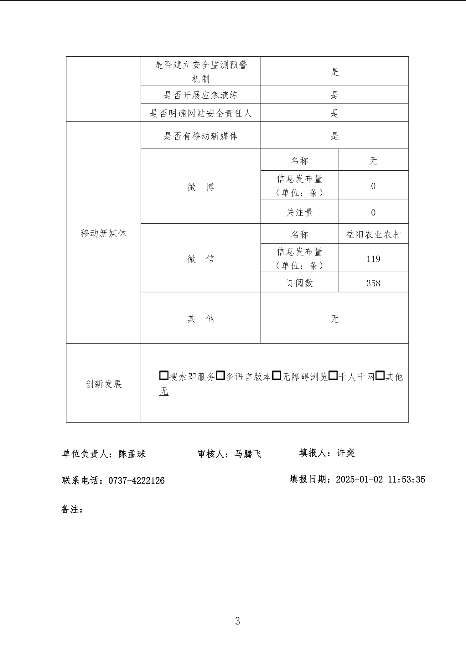
益阳市农业农村局
中国益阳门户网 www.yiyang.gov.cn
发布时间:2025-01-22 10:08
浏览量:
次
字体:
扫一扫在手机打开当前页
信息来源:益阳市农业农村局
作者:
责任编辑:文昭
打印
关闭