归档时间:2025-02-12
当前位置:
首页
>
信息公开
>
专题专栏
>
历史归档
>
2022年益阳市政府网站年度报表专栏
>
专项网站工作年度报表
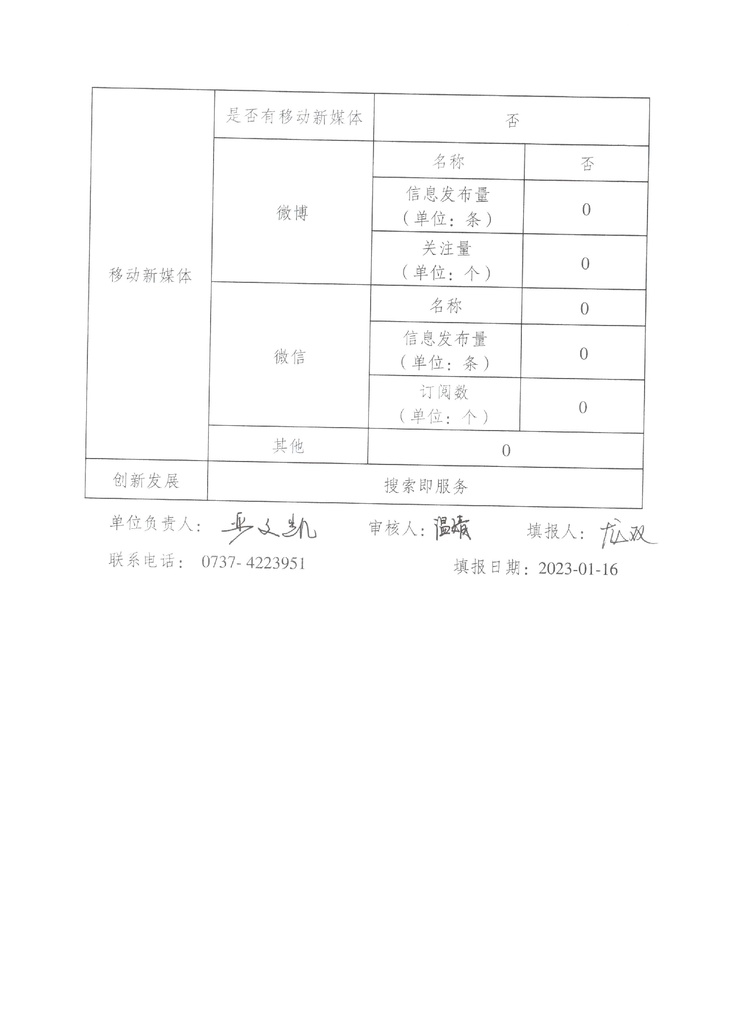
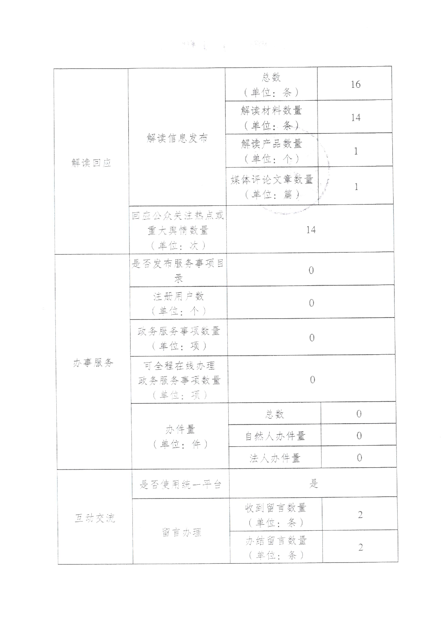
益阳市供销合作社
中国益阳门户网 www.yiyang.gov.cn
发布时间:2023-01-16 11:08
浏览量:
次
字体:
扫一扫在手机打开当前页
信息来源:益阳市供销合作社
作者:
责任编辑:李媛媛
打印
关闭