归档时间:
当前位置:
首页
>
信息公开
>
专题专栏
>
历史归档
>
2021年益阳市政府网站年度报表专栏
>
市政府及部门网站工作年度报表
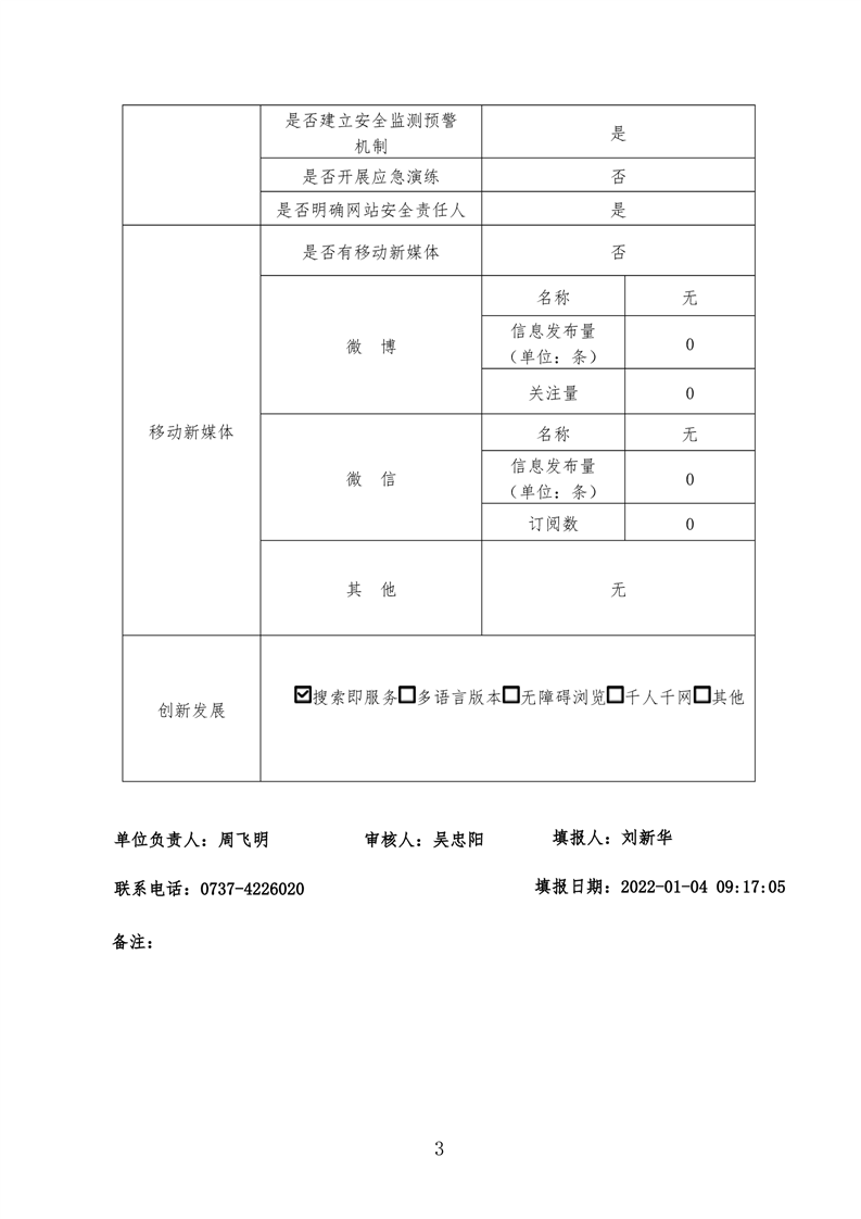
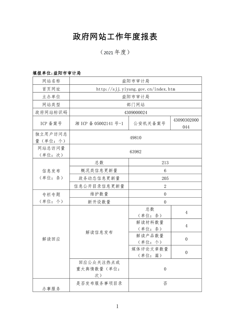
益阳市审计局
中国益阳门户网 www.yiyang.gov.cn
发布时间:2022-01-10 14:53
浏览量:
次
字体:
扫一扫在手机打开当前页
信息来源:益阳市审计局
作者:
责任编辑:梁武
打印
关闭