归档时间:2022-04-01
当前位置:
首页
>
信息公开
>
专题专栏
>
历史归档
>
2020年益阳市政府网站年度报表专栏
>
县市区政府网站工作年度报表
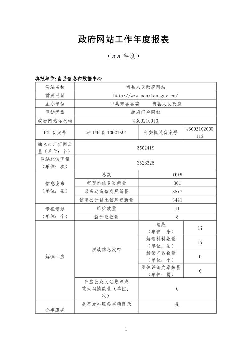
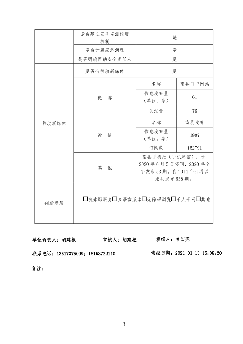
南县
中国益阳门户网 www.yiyang.gov.cn
发布时间:2021-01-20 10:32
浏览量:
次
字体:
扫一扫在手机打开当前页
信息来源:益阳市政府门户网站
作者:
责任编辑:梁武
打印
关闭