归档时间:2022-04-01
当前位置:
首页
>
信息公开
>
专题专栏
>
历史归档
>
2019年益阳市政府网站年度报表专栏
>
市政府及部门网站工作年度报表
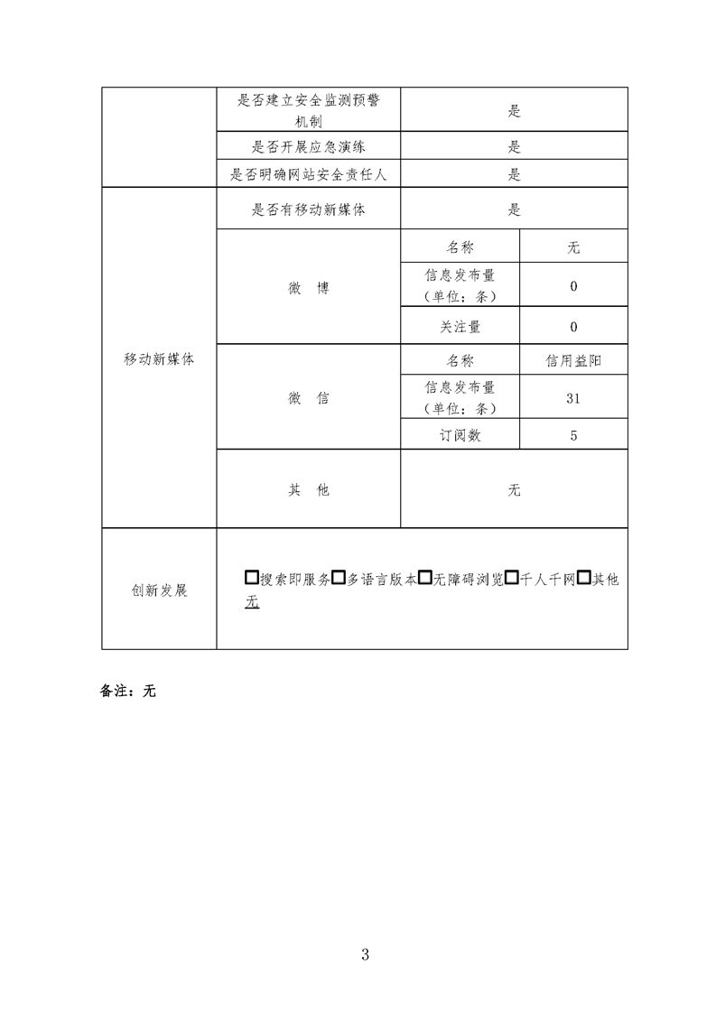
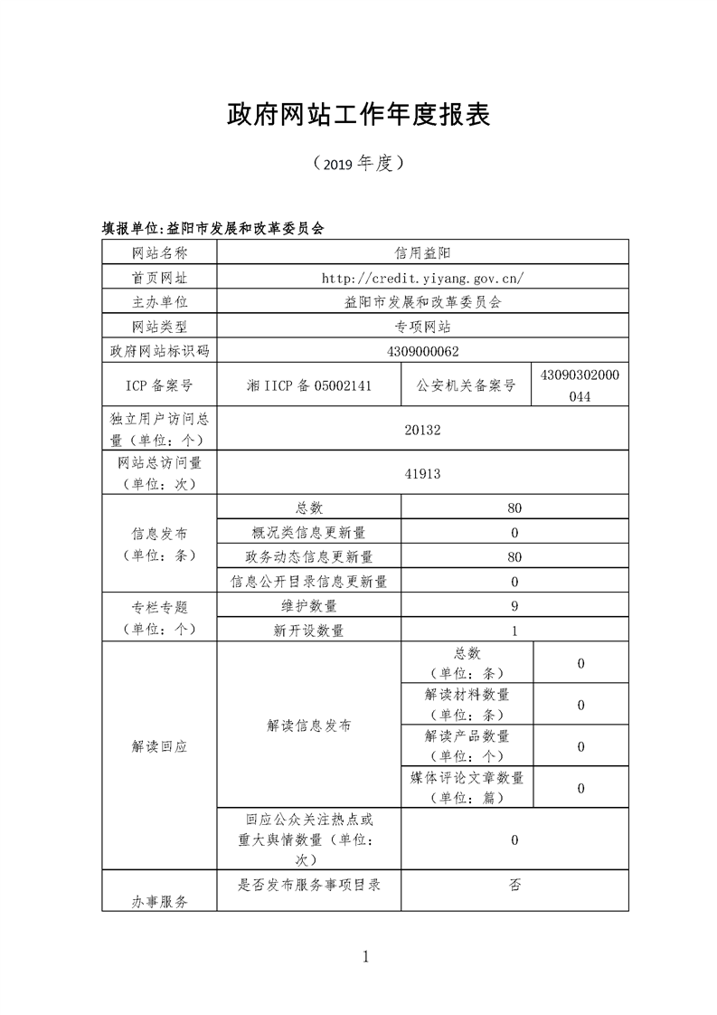
信用益阳
中国益阳门户网 www.yiyang.gov.cn
发布时间:2020-01-30 18:00
浏览量:
次
字体:
扫一扫在手机打开当前页
信息来源:市发展和改革委员会
作者:
责任编辑:文雪飞
打印
关闭