| 关于重要工业产品获证企业证后监管、污染防治、安全生产检查情况的通报 |
| 点击数: 时间:2020-09-11 |
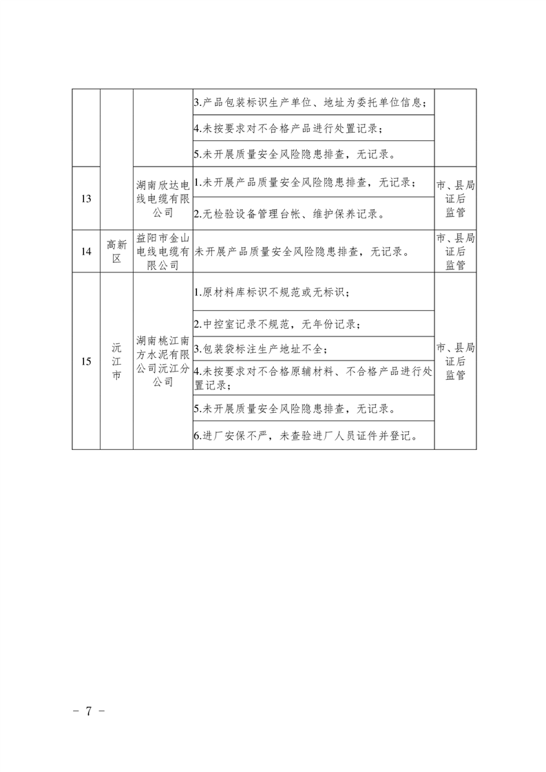
|
![]() ![]() ![]() ![]() ![]() ![]() ![]() |
|
| 来源:益阳市市场监督管理局 作者: | ||
| 关于重要工业产品获证企业证后监管、污染防治、安全生产检查情况的通报 |
| 点击数: 时间:2020-09-11 |
|
![]() ![]() ![]() ![]() ![]() ![]() ![]() |
|
| 来源:益阳市市场监督管理局 作者: | ||