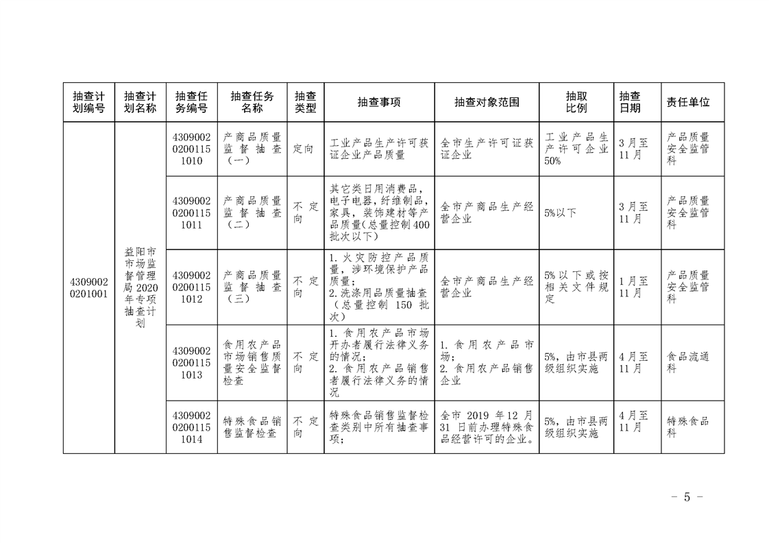
| 关于印发《2020年度“双随机、一公开”监管抽查工作计划》的通知 |
| 点击数: 时间:2020-04-02 |
|
![]() ![]() ![]() ![]() ![]() ![]() ![]() ![]() ![]() ![]() ![]() ![]() ![]() ![]() |
|
| 来源:益阳市市场监督管理局 作者: | ||
| 关于印发《2020年度“双随机、一公开”监管抽查工作计划》的通知 |
| 点击数: 时间:2020-04-02 |
|
![]() ![]() ![]() ![]() ![]() ![]() ![]() ![]() ![]() ![]() ![]() ![]() ![]() ![]() |
|
| 来源:益阳市市场监督管理局 作者: | ||