益阳市职业技能竞赛组织委员会
2021年 8月
益阳市第一届职业技能大赛
装配钳工项目技术文件
一、竞赛标准及竞赛内容
本次竞赛以《装配钳工国家职业技能标准》三级以上为依据。参赛选手根据赛件图样要求,在规定时间内,以现场操作的方式完成赛件产品的加工。
二、竞赛方式
竞赛方式只考操作。对于实际操作竞赛,竞赛前给出材料、设备和工、量、刃具准备清单,样题。正式竞赛时,在现场发放竞赛图样及评分表。
三、竞赛时间及计分方法
实际操作竞赛时间:零件加工、装配、组合:300分钟。
计分方式:零件加工、装配实际操作竞赛。
1.实际操作竞赛试题范围与内容
(1)零件加工:(按100分配分)
1)装配钳工竞赛现场准备清单,见表
表:装配钳工实际操作竞赛赛场准备清单和要求
|
序号 |
名称 |
精度 |
数量 |
备注 |
|
1 |
钻床带钻夹头 |
2级 |
1台/4人 |
Z4012 |
|
2 |
台虎钳 |
1台/人 |
||
|
3 |
工作灯 |
1台/人 |
||
|
4 |
砂轮机 |
1台/5人 |
||
|
5 |
划线涂料 |
若干 |
||
|
6 |
润滑油 |
若干 |
||
|
7 |
赛件备料图 |
1套/人 |
90×190×10、40×40×10 |
|
|
8 |
挂钟 |
2 |
||
|
9 |
划线平板 |
1级 |
6 |
1000×600 |
|
10 |
方箱 |
1级 |
6 |
200×200×200 |
2)装配钳工竞赛选手准备清单和要求,见表
表: 装配钳工实际操作竞赛选手准备清单和要求
|
序号 |
名称 |
规格 |
精度 |
数量 |
备注 |
|
1 |
高度游标卡尺 |
0--300 |
0.02 mm |
1把 |
|
|
2 |
游标卡尺 (数显或带表) |
0--150 |
0.02 mm |
1把 |
|
|
3 |
直角尺 |
100×80 |
1级 |
1把 |
|
|
4 |
刀口尺 |
100mm |
1级 |
1把 |
|
|
5 |
外径千分尺 |
0--25 |
0.01 mm |
1把 |
|
|
6 |
外径千分尺 |
25--50 |
0.01 mm |
1把 |
|
|
7 |
外径千分尺 |
50--75 |
0.01 mm |
1把 |
|
|
8 |
外径千分尺 |
75--100 |
0.01 mm |
1把 |
|
|
9 |
塞尺 |
0.02~0.5 |
自定 |
1套 |
|
|
10 |
万能角度尺 |
0--320° |
2′ |
1把 |
|
|
11 |
杠杆百分表(含表座) |
0--0.8 |
0.01 mm |
1套 |
|
|
12 |
正弦规 |
100×80 |
自定 |
1个 |
|
|
13 |
量块 |
83块 |
1级 |
1套 |
|
|
14 |
粗、细板锉 |
自定 |
自定 |
自定 |
|
|
15 |
三角锉、扁锉、半圆锉 |
自定 |
自定 |
自定 |
|
|
16 |
直柄麻花钻头 |
Φ2、Φ9.8 |
自定 |
自定 |
|
|
17 |
直柄麻花钻头 |
Φ11.8 |
自定 |
自定 |
|
|
18 |
手用或机用铰刀 |
Φ10H7 |
自定 |
自定 |
|
|
19 |
手用或机用铰刀 |
Φ12H7 |
自定 |
自定 |
|
|
20 |
样冲 |
自定 |
自定 |
自定 |
|
|
21 |
铰杠 |
自定 |
自定 |
自定 |
|
|
22 |
手锤、划针 |
自定 |
自定 |
自定 |
|
|
23 |
手用钢锯、锯条 |
自定 |
自定 |
自定 |
|
|
24 |
圆柱销 |
Φ10×30 |
Φ10js6 |
4 |
|
|
25 |
圆柱销 |
Φ12×30 |
Φ12js6 |
4 |
|
|
26 |
测量平板 |
自定 |
自定 |
1个 |
|
|
27 |
块规提升架 |
自定 |
1 |
||
|
28 |
平口钳及扳手 |
自定 |
自定 |
自定 |
Z4012台钻适用 |
|
29 |
活动扳手 |
自定 |
自定 |
||
|
30 |
锉刀刷及毛刷 |
自定 |
自定 |
||
|
31 |
铜棒及软钳口 |
自定 |
1对 |
||
|
32 |
划线规、钢直尺、 |
自定 |
自定 |
||
|
33 |
扁錾 |
自定 |
自定 |
||
|
34 |
锯弓、锯条、 |
自定 |
自定 |
||
|
35 |
C形夹或平行夹 |
自定 |
自定 |
||
|
36 |
半径样板 |
R7--14.5 |
自定 |
||
|
37 |
函数计算器、钢笔 |
自定 |
自定 |
||
|
38 |
样冲 |
自定 |
|||
|
39 |
抹布 |
自定 |
自定 |
注:选手不得携带本清单未包含的工、夹、量、刃具进入竞赛现场。
2、竞赛场地与设施
(1)竞赛场地
零件加工赛场:每个装配钳工工位平均占地不少于6㎡、安装工作灯。
(2)赛场设施
① 赛场均安装电子监控设施(摄像头),要求能够清晰监控到整个考场及每个工位。
②光线充足,照明良好;供电供水设施正常且安全有保障;场地整洁,无外界干扰。
③ 设置隔离带,非裁判员、非参赛选手不得进入比赛场地;标明消防器材、安全通道、洗手间等位置。
④零件加工赛场的钻床、砂轮机、虎钳和钳工工作台等要符合相关标准和要求。
⑤零件加工赛场台钻的配备数量应不低于每4人/台,精度符合竞赛要求。
3.评分
(1)评分办法
参照国家职业技能标准装配钳工高级技能操作要求,依据选手完成工作任务的情况,按照竞赛标准进行评分。评价方式采用过程评价与结果评价相结合,工艺评价与功能评价相结合,能力评价与职业素养评价相结合。其中:零件加工部分由第三方认证。
(2)违规扣分
选手有下列情形须从参赛成绩中扣分:
① 在完成工作任务的过程中,因操作不当导致事故,酌情扣5~20分,情况严重者取消竞赛资格。
② 因违规操作损坏赛场提供的设备,污染赛场环境等不符合职业规范的行为,视情节扣5~10分。
③ 扰乱赛场秩序,干扰裁判员工作,视情节扣5~10分,情况严重者取消竞赛资格。
四、竞赛规则
1.大赛相关的各种设备、工量具等由大赛组委会指定。
2.参赛队在竞赛前进行抽签来决定竞赛抽签序号和参赛场次,选手在开赛前抽签决定竞赛工位。
3. 竞赛前30分钟进入竞赛工位,核对现场提供的试件材料(设备)、技术资料、工具等,并正确摆放工具;竞赛开始前10分钟,拆封竞赛试题密封袋,分发试卷,讲解考试注意事项,以场地计时器为准计时进行竞赛(考场准备计时器固定在明显位置)。
4.每场竞赛连续进行;竞赛过程中,食品和饮用水由赛场统一提供,选手休息、饮食或如厕时间都计算在竞赛时间内。
5.竞赛期间参赛选手不得离场,不得携带手机、无线上网卡、移动存储设备、资料等与竞赛无关的物品。
6.竞赛过程中,参赛选手须严格遵守安全操作规程及劳动保护要求(穿戴必须符合安全操作规程要求),确保设备及人身安全,并接受裁判员的监督和警示。
7.因设备自身故障导致选手中断竞赛,由大赛裁判长视具体情况做出裁决。
8.参赛选手若提前结束竞赛,应向裁判员举手示意,竞赛终止时间由裁判员记录,参赛选手结束竞赛后不得再进行任何操作。
9.参赛选手需按照竞赛任务书要求完成竞赛,并清理现场卫生。
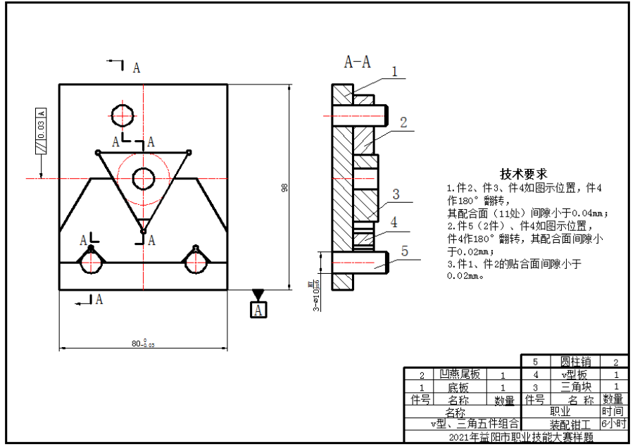
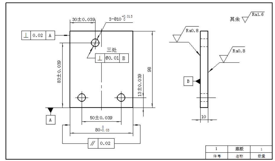
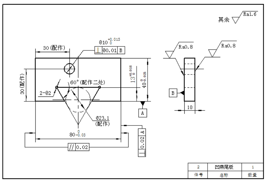
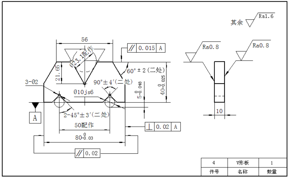
2021益阳市职业技能大赛装配钳工操作样题
( 仅供参考,竞赛试题以现场发放为准)





特别提醒选手:
竞赛时,选手严禁携带任何与样题有关的工件参赛,否则将取消选手参赛资格及竞赛成绩,通报选手的相关单位作出处理、处分,并通报全市!!