当前位置:
首页
>
信息公开
>
公示公告
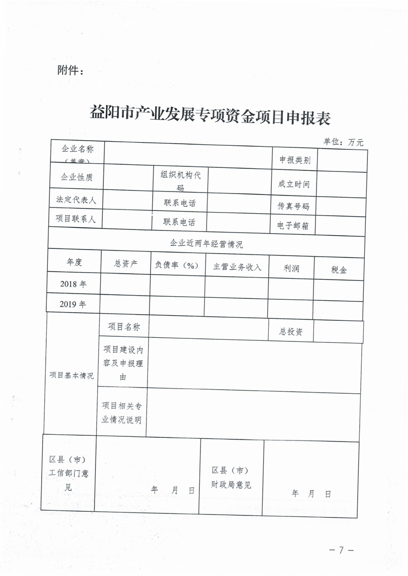
关于做好2020年度产业发展专项资金项目申报工作的通知
益工信【2020】115号
发布时间:2020-09-28 16:40
作者:
字体:
【大】
【中】
【小】
来源:企业科
浏览次数:
扫一扫在手机打开当前页
打印
关闭