当前位置:
首页
>
事故快报
>
调查报告
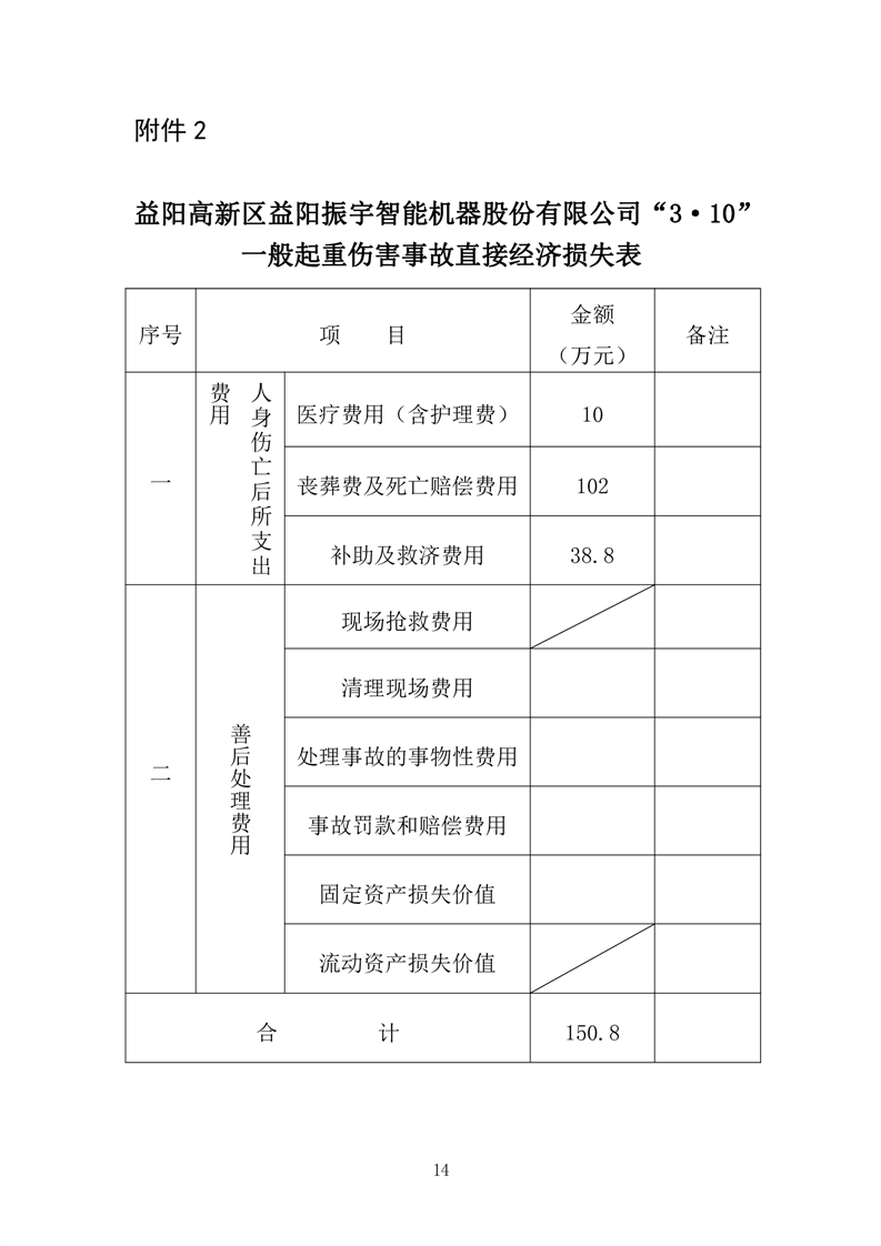
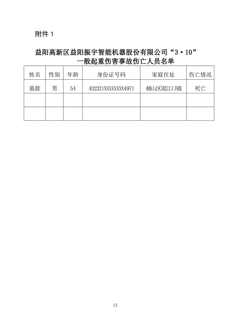
益阳高新区益阳振宇智能机器股份有限 公司“3·10”一般起重伤害事故
发布时间:2023-09-04 15:13
作者:
来源:调查科
浏览次数:
字体:
【大】
【中】
【小】
扫一扫在手机打开当前页
打印
关闭