益阳市安全生产委员会办公室
关于2024年1月份全市生产安全事故
情况的通报
各县市区安委会、桃江县应急委,市直各有关单位:
现将2024年1月份全市生产安全事故情况通报如下:
一、总体情况
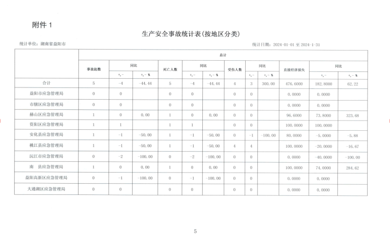
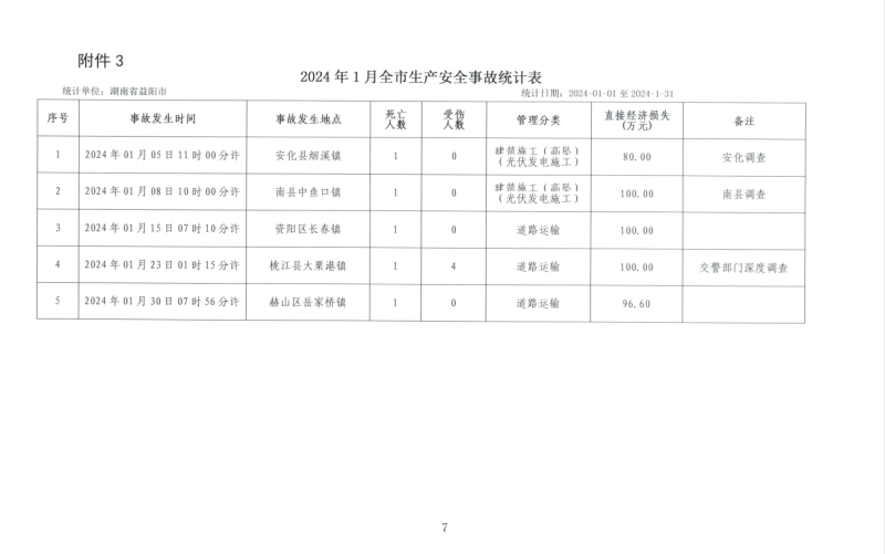
据初步统计,1月份,全市发生各类生产安全事故5起,死亡5人,受伤4人,直接经济损失约476.6万元。与上年同期相比,事故起数减少4起、下降44.4%,死亡人数减少4人、下降44.4%,受伤人数增加4人、上升300%,直接经济损失约增加182.8万元、上升62.2%。
1月份未发生较大及以上生产经营性安全事故。
二、事故管理和行业分布情况
1.道路运输:按照应急管理部门统计口径的为3起,死亡3人,受伤4人。与上年同比事故起数减少5起、下降62.5%,死亡人数减少5人、下降62.5%,受伤人数增加4人、上升300%。
2.建筑施工(光伏发电施工):2起,死亡2人。上年同期无。
3.其他行业未接报事故。
三、县市区事故及行业分布情况
1.赫山区:道路运输事故1起,死亡1人。与上年同比,事故起数和死亡人数均持平。
2.资阳区:道路运输事故1起,死亡1人。上年同期无。
3.安化县:建筑施工(光伏发电施工)事故1起,死亡1人。与上年同比,事故起数减少1起、下降50%,死亡人数减少1人、下降50%。
4.桃江县:道路运输事故1起,死亡1人,受伤4人。与上年同比,事故起数减少1起、下降50%,死亡人数减少1人、下降50%,受伤人数增加4人、上年同期无。
5.沅江市:未报送事故。
6.南 县:建筑施工(光伏发电施工)事故1起,死亡1人。与上年同比,事故起数和死亡人数均持平。
7.高新区:未报送事故。
8.大通湖区:未报送事故。
四、形势分析
1月份,全市各级各部门积极采取有效措施,紧紧围绕元旦、春节、两会三个特殊时间节点,持续深化各行业领域风险隐患排查,扎实推进岁末年初安全防范综合督查,低温雨雪冰冻天气防灾减灾等工作,工作成效明显,确保了全市安全生产形势总体平稳。但连续发生两起光伏发电施工(高坠)事故,给我们敲响了警钟,这两起事故暴露出:作业人员安全生产意识淡薄,在安全防护措施不到位的情况下冒险违章作业;企业主体责任落实不到位,项目施工安全管理不到位等问题。企业要树牢安全发展理念,坚持“安全第一、预防为主、综合治理”方针,认真检查企业安全管理方面存在的问题和漏洞,落实全员安全生产责任。各行业主管部门要严格落实“三管三必须”要求,依法依规严格履行安全监管职责,进一步加大对施工现场安全检查力度,重点突出高处作业人员安全教育培训、安全防护等情况,及时发现并对出现的安全隐患进行整改,有效预防和遏制生产安全事故发生。
五、工作建议
(一)全面压实责任。岁末年初历来是事故高发期,安全生产任务十分繁重。各级各部门要按照部署要求迅速开展隐患排查,紧盯道路和水上交通运输、烟花爆竹、消防和人员密集场所、建筑施工、工贸、特种设备等重点领域,人员下沉一线,抓好风险隐患排查整治,严厉依法打非治违,确保责任上肩。
(二)全力开展督查。各部门要根据“三管三必须”原则,对负有监管职责的行业领域认真开展专项督查;各县市区及乡镇街道要积极开展自查自纠;市安委办将加大督导检查力度,对县市区和重点部门工作开展情况进行定期督查、调度、通报,并将相关工作落实情况纳入年度考核。
(三)全域开展宣传。基层单位要充分利用村村响、宣传车等形式加大宣传力度,严防用电、用火、用气事故发生,重点关注医养康养机构、宾馆酒店、老旧小区和农村留守老人、儿童消防安全,要将“三敲两喊一提醒”落实到位,严防冬春季节小火亡人和一氧化碳中毒事故。
(四)全时应急准备。针对低温雨雪冰冻灾害天气,要落实迎春省长“保安全、保畅通、保供给、保民生、保稳定”和“务必认清严峻形势、务必强化监测预警、务必细化防范措施、务必做好应急处置、务必压紧压实责任”工作要求,突出加强消防、道路交通、建筑施工等领域的风险研判,发挥基层组织作用,加强应急值守,做好应急演练,把事故灾害隐患消灭在萌芽之时、成灾之前,全力确保安全稳定。
附件:1.2024年1月全市生产安全事故统计表(按地区分类)
2.2024年1月全市生产安全事故统计表(按管理分类)
3.2024年1月全市生产安全事故统计表
益阳市安全生产委员会办公室
2024年2月20日


